Product Summary
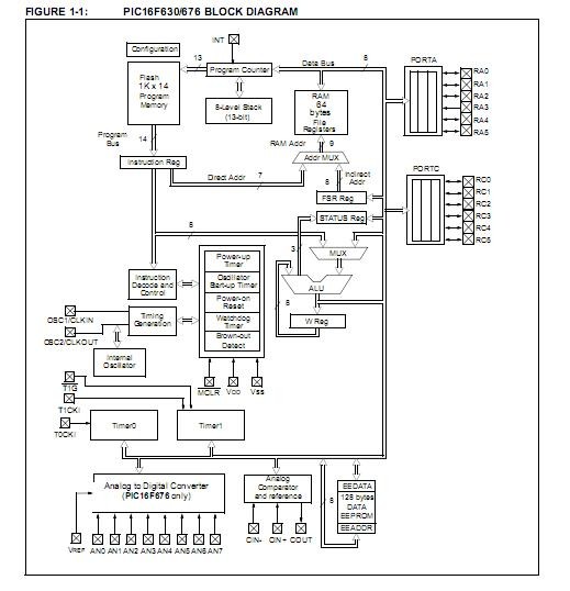
The PIC16F676-I/P is a 14-Pin, Flash-Based 8-Bit CMOS Microcontroller.
Parametrics
PIC16F676-I/P absolute maximum ratings: (1)Ambient temperature under bias: -40℃ to +125℃; (2)Storage temperature: -65℃ to +150℃; (3)Voltage on VDD with respect to VSS: -0.3 to +6.5V; (4)Voltage on MCLR and RA4 with respect to VSS :-0.3 to +13.5V; (5)Voltage on all other pins with respect to VSS:-0.3V to VDD+0.3V; (6)Total power dissipation:800 mW; (7)Maximum current out of VSS pin:300 mA; (8)Maximum current into VDD pin:250 mA; (9)Input clamp current, IIK (VI < 0 or VI > VDD):± 20 mA; (10)Output clamp current, IOK (Vo < 0 or Vo >VDD):± 20 mA; (11)Maximum output current sunk by any I/O pin:25 mA; (12)Maximum output current sourced by any I/O pin:25 mA; (13)Maximum current sunk by PORTA and PORTB (Combined):200 mA; (14)Maximum current sourced by PORTA and PORTB (Combined):200 mA.
Features
PIC16F676-I/P features: (1)Interrupt Capability; (2)8-level Deep Hardware Stack; (3)Direct, Indirect, and Relative Addressing modes; (4)Power-Saving Sleep mode; (5)Wide Operating Voltage Range – 2.0V to 5.5V; (6)Industrial and Extended Temperature Range; (7)Low-Power Power-on Reset (POR); (8)Power-up Timer (PWRT) and Oscillator Start-up Timer (OST); (9)Brown-out Detect (BOD); (10)Watchdog Timer (WDT) with Independent Oscillator for Reliable Operation; (11)Multiplexed MCLR/Input-pin; (12)Interrupt-on-Pin Change; (13)Individual Programmable Weak Pull-ups; (14)Programmable Code Protection; (15)12 I/O Pins with Individual Direction Control; (16)High Current Sink/Source for Direct LED Drive.
Diagrams

| Image | Part No | Mfg | Description | ![]() |
Pricing (USD) |
Quantity | ||||||||||||
|---|---|---|---|---|---|---|---|---|---|---|---|---|---|---|---|---|---|---|
![]() |
![]() PIC16F676-I/P |
![]() Microchip Technology |
![]() 8-bit Microcontrollers (MCU) 1.75KB 64 RAM 12 I/O Ind Temp PDIP14 |
![]() Data Sheet |
![]()
|
|
||||||||||||
| Image | Part No | Mfg | Description | ![]() |
Pricing (USD) |
Quantity | ||||||||||||
![]() |
![]() PIC1018SCL |
![]() Other |
![]() |
![]() Data Sheet |
![]() Negotiable |
|
||||||||||||
![]() |
![]() PIC10F200 |
![]() Other |
![]() |
![]() Data Sheet |
![]() Negotiable |
|
||||||||||||
![]() |
![]() PIC10F200-E/MC |
![]() Microchip Technology |
![]() 8-bit Microcontrollers (MCU) 384B Flash16B RAM 4 I/O |
![]() Data Sheet |
![]()
|
|
||||||||||||
![]() |
![]() PIC10F200-E/OT |
![]() Other |
![]() |
![]() Data Sheet |
![]() Negotiable |
|
||||||||||||
![]() |
![]() PIC10F200-E/P |
![]() Microchip Technology |
![]() 8-bit Microcontrollers (MCU) U 579-PIC10F200-I/P |
![]() Data Sheet |
![]() Negotiable |
|
||||||||||||
![]() |
![]() PIC10F200-I/MC |
![]() Microchip Technology |
![]() 8-bit Microcontrollers (MCU) 0.375KB Fl 16B RAM |
![]() Data Sheet |
![]()
|
|
||||||||||||
(Hong Kong)










