Product Summary
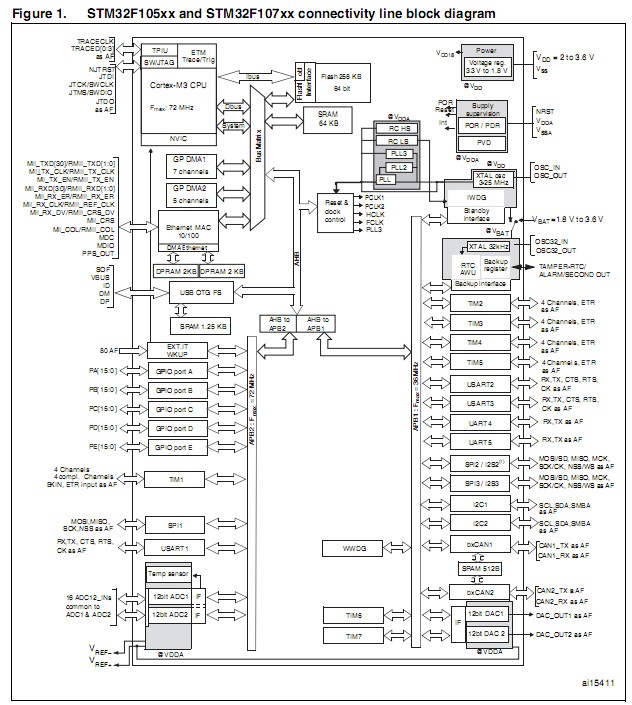
The STM32F105RBT6 belongs to STM32F105xx connectivity line family which incorporates the high-performance ARM Cortex-M3 32-bit RISC core operating at a 72 MHz frequency, high-speed embedded memories (Flash memory up to 256 Kbytes and SRAM 64 Kbytes), and extensive range of enhanced I/Os and peripherals connected to two APB buses. The STM32F105RBT6 offers two 12-bit ADCs, four general-purpose 16-bit timers plus a PWM timer, as well as standard and advanced communication interfaces: up to two I2Cs, three SPIs, two I2Ss, five USARTs, an USB OTG FS and two CANs.
Parametrics
STM32F105RBT6 absolute maximum ratings: (1)External main supply voltage (including VDDA and VDD):–0.3 to 4.0 V; (2)Input voltage on five volt tolerant pin: VSS- 0.3 to VDD + 4.0 V; (3)Input voltage on any other pin: VSS - 0.3 to 4.0 V; (4)Variations between different VDD power pins: 50 mV; (5)Variations between all the different ground pins: 50 mV.
Features
STM32F105RBT6 features: (1)Core: ARM 32-bit Cortex-M3 CPU; (2)Memories: 64 to 256 Kbytes of Flash memory; 64 Kbytes of general-purpose SRAM; (3)Clock, reset and supply management; (4)Low power; (5)2 × 12-bit, 1 μs A/D converters (16 channels); (6)2 × 12-bit D/A converters; (7)DMA: 12-channel DMA controller; (8)Debug mode; (9)Up to 80 fast I/O ports; (10)CRC calculation unit, 96-bit unique ID; (11)Up to 10 timers with pinout remap capability; (12)Up to 14 communication interfaces with pinout remap capability.
Diagrams

| Image | Part No | Mfg | Description | ![]() |
Pricing (USD) |
Quantity | ||||||||||||
|---|---|---|---|---|---|---|---|---|---|---|---|---|---|---|---|---|---|---|
![]() |
![]() STM32F105RBT6 |
![]() STMicroelectronics |
![]() ARM Microcontrollers (MCU) 32BIT Cortex 64/25 CONNECTIVITY LINE M3 |
![]() Data Sheet |
![]()
|
|
||||||||||||
![]() |
![]() STM32F105RBT6TR |
![]() STMicroelectronics |
![]() ARM Microcontrollers (MCU) 32-Bit ARM Cortex 128kb Connectivity |
![]() Data Sheet |
![]()
|
|
||||||||||||
(Hong Kong)









