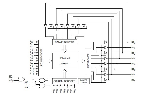
Product Summary
The CY62158EV30LL-45ZSXI is a high performance CMOS static RAM organized as 1024K words by 8 bits. This device features advanced circuit design to provide ultra low active current. CY62158EV30LL-45ZSXI is ideal for providing More Battery Life(MoBL in portable applications such as cellular telephones. The device also has an automatic power down feature that significantly reduces power consumption. Placing the device into standby mode reduces power consumption significantly when deselected (CE1 HIGH or CE2 LOW). The eight input and output pins (IO0 through IO7) are placed in a high impedance state when the CY62158EV30LL-5ZSXI is deselected (CE1 HIGH or CE2 LOW), the outputs are disabled (OE HIGH), or a write operation is in progress (CE1 LOW and CE2 HIGH and WE LOW).
Parametrics
CY62158EV30LL-45ZSXI absolute maximum ratings: (1)Storage Temperature: -65℃ to +150℃; (2)Ambient Temperature with Power Applied: -55℃ to +125℃; (3)Supply Voltage to Ground Potential: -0.3V to VCC(max) + 0.3V; (4)DC Voltage Applied to Outputs in High-Z State: -0.3V to VCC(max) + 0.3V; (5)DC Input Voltage: -0.3V to VCC(max) + 0.3V.
Features
CY62158EV30LL-45ZSXI features: (1)Very high speed: 45 ns; (2)Wide voltage range: 2.20V-3.60V; (3)Pin compatible with CY62158DV30; (4)Ultra low standby power-Typical standby current: 2 μA; Maximum standby current: 8 μA; (5)Ultra low active power-Typical active current: 1.8 mA @ f = 1 MHz; (6)Easy memory expansion with CE1, CE2, and OE features; (7)Automatic power down when deselected; (8)CMOS for optimum speed/power; (9)Offered in Pb-free 48-ball VFBGA, 44-pin TSOP II and 48-pin TSOP I packages.
Diagrams

| Image | Part No | Mfg | Description | ![]() |
Pricing (USD) |
Quantity | ||||||||||||
|---|---|---|---|---|---|---|---|---|---|---|---|---|---|---|---|---|---|---|
![]() |
![]() CY62158EV30LL-45ZSXI |
![]() Cypress Semiconductor |
![]() SRAM 8M ULTRA LO PWR HI SPD SRAM IND |
![]() Data Sheet |
![]()
|
|
||||||||||||
![]() |
![]() CY62158EV30LL-45ZSXIT |
![]() Cypress Semiconductor |
![]() SRAM 8M ULTRA LO PWR HI SPD SRAM IND |
![]() Data Sheet |
![]()
|
|
||||||||||||
(Hong Kong)









