Product Summary
The GBU1508G is a bridge rectifier.
Parametrics
GBU1508G absolute maximum ratings: (1)Maximum Recurrent Peak Reverse Voltage:800V; (2)Maximum RMS Voltage:560V; (3)Maximum DC Blocking Voltage:800V; (4)Maximum Forward Voltage:1.0V; (5)Operating Temperature Range:-40℃ to +125℃; (6)Storage Temperature Range:-40℃ to +125℃; (7)I2t Rating for fusing (t<8.3ms):200A2s; (8)Typical Junction Capacitance per element:70pF; (9)Typical Thermal Resistance:2.2℃/W.
Features
GBU1508G features: (1)Surge overload rating-175 amperes peak; (2)Ideal for printed circuit board; (3)Reliable low cost construction utilizing molded plastic technique ; (4)Plastic material has Underwriters Laboratory Flammability classification 94V-O; (5)Mounting Position: Any.
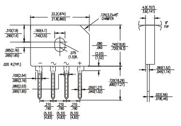
Diagrams

![]() |
![]() GBU10005 |
![]() Diodes Inc. |
![]() Bridge Rectifiers 10A 50V |
![]() Data Sheet |
![]()
|
|
||||||||||||
![]() |
![]() GBU10005-G |
![]() Comchip Technology |
![]() Bridge Rectifiers GBU GPP 10A 50V Rect. Bridge Diode |
![]() Data Sheet |
![]()
|
|
||||||||||||
![]() |
![]() GBU1001 |
![]() Diodes Inc. |
![]() Bridge Rectifiers 10A 100V |
![]() Data Sheet |
![]()
|
|
||||||||||||
![]() |
![]() GBU1004 |
![]() Diodes Inc. |
![]() Bridge Rectifiers 400V 10A |
![]() Data Sheet |
![]()
|
|
||||||||||||
![]() |
![]() GBU1004-G |
![]() Comchip Technology |
![]() Bridge Rectifiers GBU GPP 10A 400V Rect. Bridge Diode |
![]() Data Sheet |
![]()
|
|
||||||||||||
![]() |
![]() GBU1005 |
![]() Taiwan Semiconductor |
![]() Bridge Rectifiers 10 Amp 600 Volt 220 Amp IFSM |
![]() Data Sheet |
![]()
|
|
||||||||||||
(Hong Kong)









