Product Summary
The 2SK2313 is a Silicon N Channel MOS Type field effect transistor, which is designed for chopper regulator, DC-Dc converter and motor drive applicaitons.
Parametrics
2SK2313 absolute maximum ratings: (1)Drain-source voltage: 60V; (2)drain-gate voltage(RGS=20k): 60V; (3)Gate-source voltage: ±20V; (4)drain Current: 60A; (5)drain power dissipation: 150W; (6)channel temperature: 150℃ maxnimum; (7)Storage temperature: -55 to +150℃.
Features
2SK2313 features: (1)4V gate drive; (2)low drain-source on resistance:RDS(ON)=36m(typ); (3)high forward transfer admittance:|Yfs|=40S(Typ); (4)low leakage current: IDSS = 100 A (max) (VDS = 60 V); (5)enhancement-mode: Vth = 0.8~2.0 V (VDS = 10 V, ID = 1 mA).
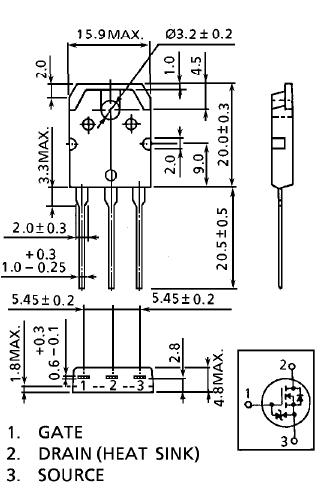
Diagrams

| Image | Part No | Mfg | Description | ![]() |
Pricing (USD) |
Quantity | ||||
|---|---|---|---|---|---|---|---|---|---|---|
![]() |
![]() 2SK2313 |
![]() |
![]() MOSFET N-CH 60V 60A TO-3PN |
![]() Data Sheet |
![]() Negotiable |
|
||||
![]() |
![]() 2SK2313(F) |
![]() Toshiba |
![]() MOSFET MOSFET N-Ch 60V 60A Rdson=0.011Ohm |
![]() Data Sheet |
![]() Negotiable |
|
||||
(Hong Kong)










