Product Summary
This 2N5172G is an NPN general purpose amplifier. It is designed for use as general purpose amplifiers and switches requiring collector currents to 300 mA.
Parametrics
2N5172G absolute maximum ratings: (1)VCEO, Collector-Emitter Voltage: 25 V; (2)VCBO, Collector-Base Voltage: 25 V; (3)VEBO, Emitter-Base Voltage: 5.0 V; (4)IC, Collector Current: 500 mA; (5)TJ, Tstg Operating and Storage Junction Temperature Range: -55 to +150 ℃.
Features
2N5172G features: (1)PD Total Device Dissipation: 625mW; Derate above 25℃: 5.0mW/℃; (2)RθJC Thermal Resistance, Junction to Case: 83.3 ℃/W; (4)RθJA Thermal Resistance, Junction to Ambient: 200 ℃/W.
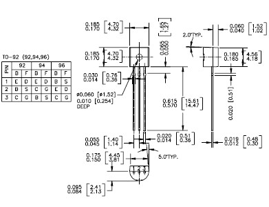
Diagrams

![]() |
![]() 2N5109 |
![]() Central Semiconductor |
![]() Transistors Bipolar (BJT) NPN Wide Bd AM |
![]() Data Sheet |
![]()
|
|
||||||||||||
![]() |
![]() 2N5109UB |
![]() Other |
![]() |
![]() Data Sheet |
![]() Negotiable |
|
||||||||||||
![]() |
![]() 2N5114 |
![]() Vishay/Siliconix |
![]() JFET 30V 10pA |
![]() Data Sheet |
![]() Negotiable |
|
||||||||||||
![]() |
![]() 2N5114JANTX |
![]() Other |
![]() |
![]() Data Sheet |
![]() Negotiable |
|
||||||||||||
![]() |
![]() 2N5115 |
![]() Vishay/Siliconix |
![]() JFET 30V 10pA |
![]() Data Sheet |
![]() Negotiable |
|
||||||||||||
![]() |
![]() 2N5151 |
![]() Other |
![]() |
![]() Data Sheet |
![]() Negotiable |
|
||||||||||||
(Hong Kong)









